Právě se nacházíte na testovacím serveru. Na veřejný web pokračujte zde.

Informační lišta pro zákazníky

Informační lišta pro zákazníky

Nakupte ještě za 10 000 Kč a máte dopravu zdarma
Košík

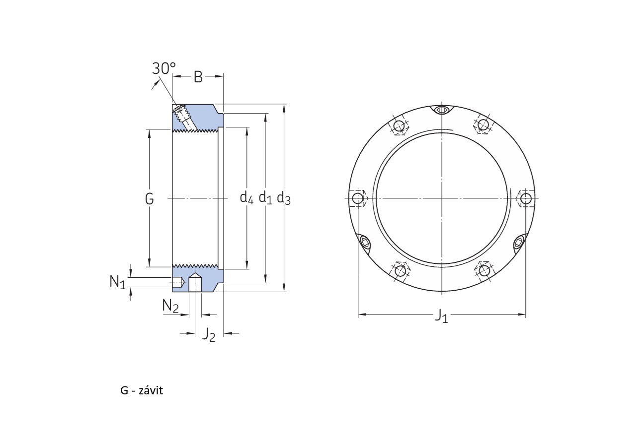
KMTA 14 SKF Matice

Přesné pojistné matice s pojistnými kolíky KMT a KMTA Matice KMT a KMTA jsou určeny pro aplikace, kde je požadovaná vysoka přesnost, jednoduchá… Celý popis
Kód produktu: KMTA 14
Cena bez DPH
2 626,78 Kč
Cena s DPH
3 178,41 Kč
Dostupnost
7 - 10 dní

Popis produktu

Přesné pojistné matice s pojistnými kolíky KMT a KMTA
Matice KMT a KMTA jsou určeny pro aplikace, kde je požadovaná vysoka přesnost, jednoduchá montáž a spolehlivé zajištěni. Tři rovnoměrně rozmístěné pojistné koliky umožňuji přesné ustavení těchto pojistných matic v pravém úhlu k hřídeli. Mohou však byt také seřízeny tak, aby kompenzovaly mírné uhlové odchylky souvisejících součásti.

Pojistné matice KMT
-jsou k dispozici pro zavity M 10x0,75 až M 200x3 (velikosti 0 až 40)
-jsou k dispozici na vyžádaní pro zavity Tr 220x4 až Tr 420x5 (velikosti 44 až 84)

Pojistné matice KMTA
-jsou k dispozici pro zavity M 25x1,5 až M 200x3 (velikosti 5 až 40)
-mají válcový vnější povrch; některé velikosti mají jine stoupaní zavitu než pojistné matice KMT
-jsou určeny především pro aplikace s omezeným prostorem, kde lze válcový vnější povrch použit jako prvek

Dokumenty

Valivá ložiska.pdf

Parametry

Závit
M 70x1,5
Vnější průměr čela opěrné strany d1 (mm)
86
Šířka - B (mm) F
26
Vnější průměr d3 (mm)
95
Vnitřní průměr čela opěrné strany d4 (mm)
72
Hmotnost AC
0,62 kg
Velikost stavěcího šroubu
M 8
Doporučený utahovací moment stavěcího šroubu
18 Nm
Odkaz SKF
Máte dotaz k produktu?
Tyto stránky využívají cookies
Cookies používáme, abychom zajistili správné fungování a bezpečnost našich stránek, tím pádem co nejlepší zkušenost při návštěvě. Svá nastavení cookies můžete později kdykoliv změnit. Další informace o Cookies
Nastavení
Na této stránce můžete nastavit souhlas pro jednotlivé účely generování a využívání souborů cookies. Další informace o Cookies
Zajišťují, že tyto stránky fungují správně a bezpečně na všech zařízeních.
Analytické cookies nám pomáhají sledovat návštěvnost a informovat o tom, jak návštěvníci využívají tuto webovou stránku v průběhu jejich návštěvy.
Tyto cookies nám pomáhají, abychom vám ukazovali na internetu takovou reklamu, která by se vám mohla líbit a bude pro vás užitečná. Zároveň Vám tyto cookies umožní využít nástroje pro komunikaci v reálném čase (online chat).